Dokumentation zum Empänger JRC NRD-535 bzw. JRC NRD-535DG
Der JRC NRD-535 wurde in einer Verkaufsplattform angeboten. Der Empfänger ist aus dem Hause JRC (Japan Radio Communication) und kommt aus Japan. Die Geschichte von JRC kann hier nachgelesen werden.
Der Receiver war in einem guten Zustand mit etwas Gebrauchsspuren, die aber zu vernachlässigen sind. Die Frontseite ist makellos und deshalb weckte die Anzeige in der Online-Verkaufsplattform mein Interesse, zumal ich schon immer einen dieser Receiver aus dem Hause JRC haben wollte.
Inzwischen hat es einen zweiten gegeben, einen JRC NRD-535DG.
JRC hat verschiedene Receiver hergestellt die ich nachfolgend kurz erwähne. Die Liste ist nicht vollständig, umfasst aber die bekanntesten Produkte.
Der Receiver war in einem guten Zustand mit etwas Gebrauchsspuren, die aber zu vernachlässigen sind. Die Frontseite ist makellos und deshalb weckte die Anzeige in der Online-Verkaufsplattform mein Interesse, zumal ich schon immer einen dieser Receiver aus dem Hause JRC haben wollte.
Inzwischen hat es einen zweiten gegeben, einen JRC NRD-535DG.
JRC hat verschiedene Receiver hergestellt die ich nachfolgend kurz erwähne. Die Liste ist nicht vollständig, umfasst aber die bekanntesten Produkte.
Nachfolgende Informationen zur Gerätepalette sind insbesondere auf der Webseite SHORTWAVERADIO zu finden - Link hier.
Weitere private WEB-Seiten sind im Netz zu finden.
Gerätepalette der letzten Jahre - nicht komplett:
- JRC NRD 1EH
- JRC NRD 2K
- JRC NRD 72
- JRC NRD 91
- JRC NRD 92
- JRC NRD 93
- JRC NRD 95
- JRC NRD 240
- JRC NRD 301A
- JRC NRD 302A
- JRC NRD 345
- JRC NRD 505
- JRC NRD 515
- JRC NRD 525
- JRC NRD 525G
- JRC NRD 525GF
- JRC NRD 535
- JRC NRD 535D
- JRC NRD 535DG
- JRC NRD 545
- JRC NRD 630
Beide Geräte. Achtung diverse Spiegelungen auf den Displays bitte vernachlässigen. Danke.

Die Frontseite. Nachfolgende Erklärung kurzgefasst. Teilweise noch umfassender. Bitte Handbuch, siehe “abrufbare Unterlagen im WEB” am Ende des Berichtes, downloaden.
- 01 = TONE : Klangregler für Höhen und Tiefen. Bei optionaler RTTY DEMO (CMH-530) Platine arbeitet er auch als Regler für die Mittenfrequenz des SPACE-Filters
- 02 = AF GAIN : Lautstärkeregler für den eingebauten SPEAKER, der PHONES-Buche (Kopfhöreranschluss) oder der EXT. SP-Buche auf der Rückseite
- 03 = TUNING : Abstimmregler für die Veränderung der Frequenz in den Schrittweiten 1Hz, 10Hz oder 100Hz nach Betätigung der TUNING RATE Taste (26)
- 04 = LOOK : Bei Drücken der Taste ist die Frequenz nicht veränderbar. Der Empfänger bleibt auf der Frequenz. Nach erneutem Drücken ist die Frequenz wieder veränderbar
- 05 = DOWN & UP : < DOWN / UP > die Frequenz geht nach unten oder oben. Schnelle Frequenzwahl abhängig von Taste (26). Funktion auch bei abgespeicherten Kanälen
- 06 = PBS : Passband Abstimmungsregler. Bei Störungen in USB oder LSB lässt sich das ZF-Filter so verschieben, dass das Störsignal außerhalb des Filters ist. Nicht bei FM
- 07 = RF GAIN : Regler zum Einstellen des 1. und 2. ZF-Verstärkers
- 08 = NOTCH : Regler dämpft Störsignale. Geeignet für SSB & CW und bei eingebauter ECSS-Platine (CMF-78) Bei FAX & RTTY sowie AM funktioniert er auch. Nicht bei FM
- 09 = BWC : Regler lässt das 2,4 kHz-Filter in seiner Bandbreite 500 Hz - 2,4 kHz regeln. Dazu muss die Platine BWC (CFL-243) eingebaut sein. Arbeitet nicht bei AM und FM
- 10 = SQUELCH : Regler für die Rauschsperre
- 11 = LEVEL : Regler in Zusammenhang NB-Taster (14). Bei Betätigung des NB-Tasters kann mit dem Regler die Ansprechschwelle verändert werden. Meistens Linksanschlag
- 12 = RECORD : Tonbandbuchse zur Aufnahme mit einem Tonbandgerät oder anderer Speichermedien. Der Stecker 3,5mm Klinke
- 13 = PHONES : Anschluss für Stereo-Kopfhöhrer 6,35mm Klinke. Beim Anschluss wird der interne LSP sowie der EXT SP (39), Anschluss auf der Rückseite, ausgeschaltet
- 14 = NB : Störaustaster in Zusammenhang mit dem LEVEL-Regler (11)
- 15 = POWER : Ein / Aus-Schalter. Auf der Stellung Timer schaltet das Gerät, nach zuvor eingestellter Zeit, sich ein und aus
- 16 = FUNCTION : Aktiviert die Zweitbelegung der Tasten RTTY (17), CW (18), USB/LSB (19), AM (20), FM(21) und FAX (22)
- 17 = RTTY : Schaltet in die Betriebsart RTTY. In der Zweitbelegung wird damit der Dimmer des Display aktiviert.
- 18 = CW : Schaltet in die Betriebsart CW. In der Zweitbelegung wird damit die Uhrzeit eingestellt sowie die Ein- und Ausschaltzeit des Timers (15) aktiviert.
- 19 = USB/LSB: Schaltet in die Betriebsart USB oder LSB. In der Zweitbelegung wird damit die SCAN-Funktion der Speicherkanäle aktiviert
- 20 = AM : Schaltet in die Betriebsart AM. In der Zweitbelegung wird damit die SCAN-Funktion des Frequenzsuchlaufes aktiviert
- 21 = FM : Schaltet in die Betriebsart FM. In der Zweitbelegung wird damit die der Start bzw. Stop der Speicher- oder Frequenzsuchlaufes aktiviert
- 22 = FAX : Schaltet in die Betriebsart FAX. In der Zweitbelegung wird damit ein Dämpungsglied (ATT) von 20dB in den Antenneneingang geschaltet
- 23 = DISPLAY : Frequenzanzeige mit allen zusätzlichen Funktions- und Statusanzeigen
- 24 = AGC : Taste automatische Verstärkungsregelung. Taste drücken und danach die Taste (5) < DOWN / UP > Umschaltung von AGC OFF / AGC SLOW / AGC FAST
- 25 = BAND WIDTH : Wählen der Bandbreite. Taste drücken und danach die Taste (5) < DOWN / UP > Umschaltung von NARR 1kHz / INTER 2kHz / WIDE 6kHz und AUX 12kHz
- 26 = TUNIG RATE : Veränderung der Schrittweiten 1Hz, 10Hz oder 100Hz für die Verwendung des TUNING Reglers (03)
- 27 = ECSS : Optionale Platine ECSS (CMF-78) erforderlich. Schaltet zwischen USB / AM und LSB / AM um. Verbesserung des AM-Rundfunkempfanges
- 28 = CHANNEL : Umschaltung in den Kanalspeicherbetrieb und danach die Taste (5) < DOWN / UP > drücken um die Kanäle zu schalten
- 29 = FREQ : Umschaltung in den variablen Frequenzbetrieb. Entweder mit dem Drehregler TUNING (3) oder den < DOWN / UP > Tasten die Empfangsfrequenz verändern
- 30 = TASTENFELD : Direkteingabe der Empfangsfrequenz über das Tastenfeld. Speicherkanäle, Uhrzeiten und Betriebszustände können auch darüber eingestellt werden
- 31 = MHZ : Frequenzen in MHz eingeben
- 32 = MEMO : Taste zur Eingabe von Speicherkanälen
- 33 = ENT / kHz : Bestätigungstaste für Frequenz-, Kanal- und Uhrzeiteingabe
- 34 = CLR : Taste zu Löschung von Frequenz-, Kanal- und Uhrzeiteingaben
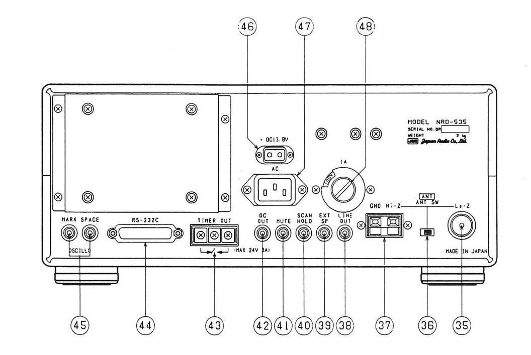
Die Rückseite. Nachfolgende Erklärung kurzgefasst. Teilweise noch umfassender. Bitte Handbuch, siehe “abrufbare Unterlagen im WEB” am Ende des Berichtes, downloaden.

- 35 = ANT Lo-Z : Antennenanschluss über SO-239 Buchse
- 36 = ANT : Antennenumschalter zwischen Lo-Z und Hi-Z
- 37 = ANT Hi-Z : Antennenanschluss für Draht- oder Stabantennen
- 38 = LINE OUT : Anschluss von Zusatzgeräten wie RTTY- oder CW-Decoder
- 39 = EXT SP : Anschluss eines externen Lautsprechers. Der zum Gerät passende Lautsprecher hat die Bezeichnung NVA-319
- 40 = SCAN HOLD : Externe Steuerung des Suchlaufes
- 41 = MUTE : Schaltet den Empfänger ab wenn das Gerät mit einem Sender betrieben wird. Bei Sendung schaltet der Sender den Empfänger ab
- 42 = DC OUT : Stromversorgung für externe Geräte 10,8 V maximal 30 mA
- 43 = TIMER OUT : Anschlüsse die von Zeitschaltuhr bzw. SQUELCH geschlossen oder geöffnet werden. Änderungen im Empfänger notwendig - siehe Handbuch
- 44 = RS 232 C : Anschluss für einen PC
- 45 = MARK / SPACE : Optionale RTTY DEMO Platine (CMH-530) erforderlich. Anschluss eines Oszilloskops zur exakten Abstimmung von RTTY-Signalen
- 46 = DC 13,8 V : Anschluss zum Betrieb über ein DC-Kabel
- 47 = AC : Anschluss Kaltgerätestecker für 220 Volt Betrieb
- 48 = FUSE / VOLTAGE SELECTOR : Gerätesicherung und Einstellung der landesüblichen Netzspannung
Eingebaute Platinen bzw. optional erhältliche Platinen.

Erklärung der optionalen Platinen ECSS-Platine (CMF-78), BWC (CFL-243) und RTTY DEMO (CMH-530)
- Die Platine ECSS (CMF-78) dient zur Seitenbandwahl USB AM bzw. LSB AM. Verbesserung des Rundfunkempfangs. Mehr Informationen dann klicke hier.
- Die Platine BWC (CFL-243) dient zur stufenlosen Regelung des 2,4kHz Bandfilters über den Drehregler BWC (9) von 500Hz bis 2,4kHz. Mehr Informationen dann klicke hier.
- Die Platine RTTY DEMO (CMH-530) dient zur Dekodierung von Funkschreibsignalen in Baudot zwischen 37 und 75 Baud. Mehr Informationen dann klicke hier. (noch nicht aktiv)
Abrufbare Unterlagen im WEB:
- Bedienungsanleitung Englisch - schlechte Scan Qualität
- Bedienungsanleiung Deutsch - gute Scan Qualität
- Service Manual Englisch - akzeptable Scan Qualität
- Werbeanzeige - Datasheet - gute Scan Qualität
Bestückung meiner beiden JRC NRD-535. Drei Platinen sind optional nachrüstbar. Beide Receiver werden nach und nach um die fehlenden Platinen nachgerüstet. Der Empfang ist bei beiden Geräten jetzt schon uneingeschränkt möglich. Platinenbezeichnungen in rot erklären, welche Platinen noch fehlen.
- Der JRC NRD-535 hat zusätzlich die ECSS-Platine (CMF-78) und die Platine BWC (CFL-243). Die Platine RTTY DEMO (CMH-530) fehlt noch.
- Der JRC NRD-535DG hat alle optionale Platinen und ist somit voll ausgestattet
März 2024 vorläufiges Ende des Berichtes.